Строительство участков тепловых сетей для переключения на новую БМК
Московская область, г. о. Ступино, п. Жилево. Ул. Северная

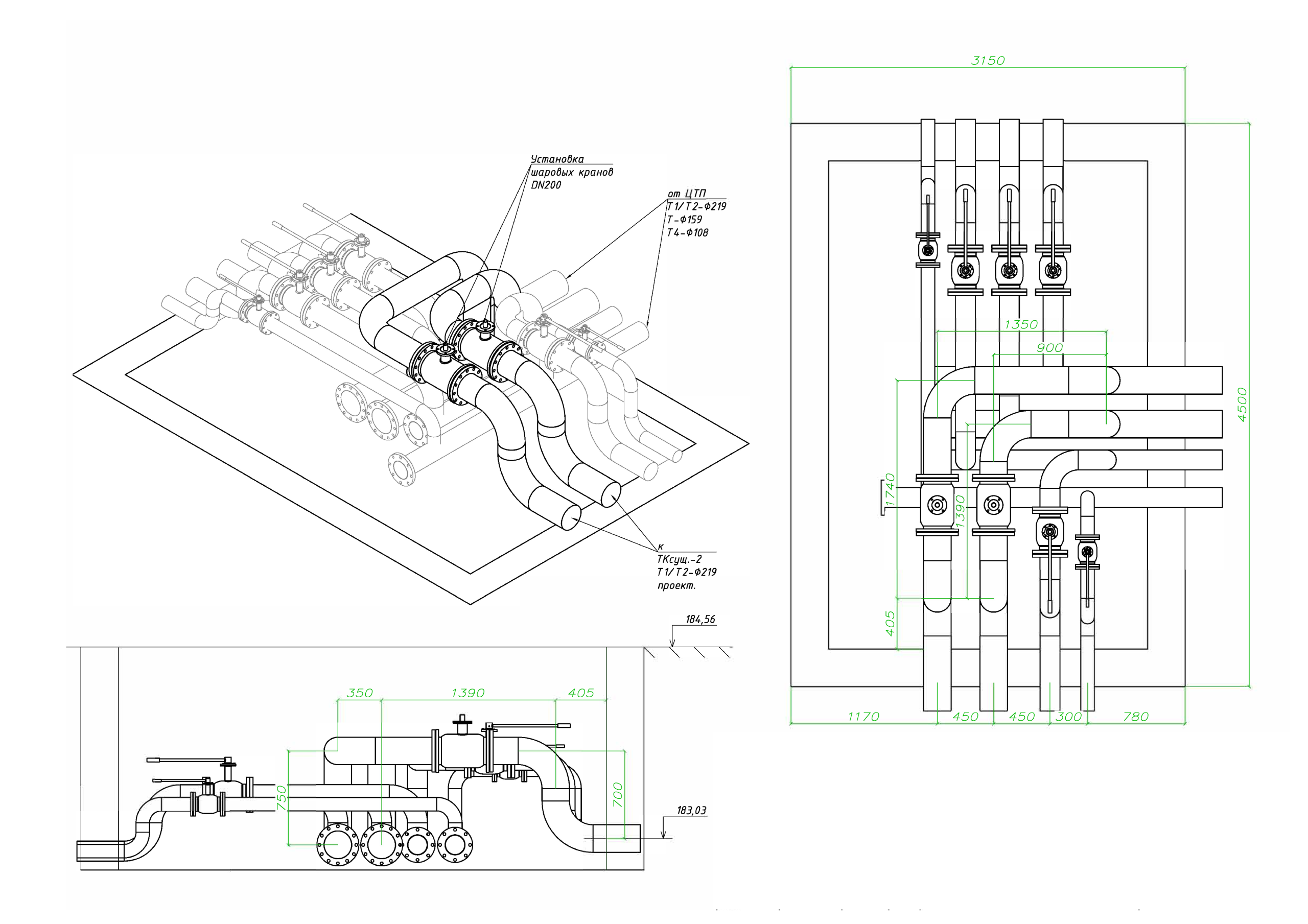
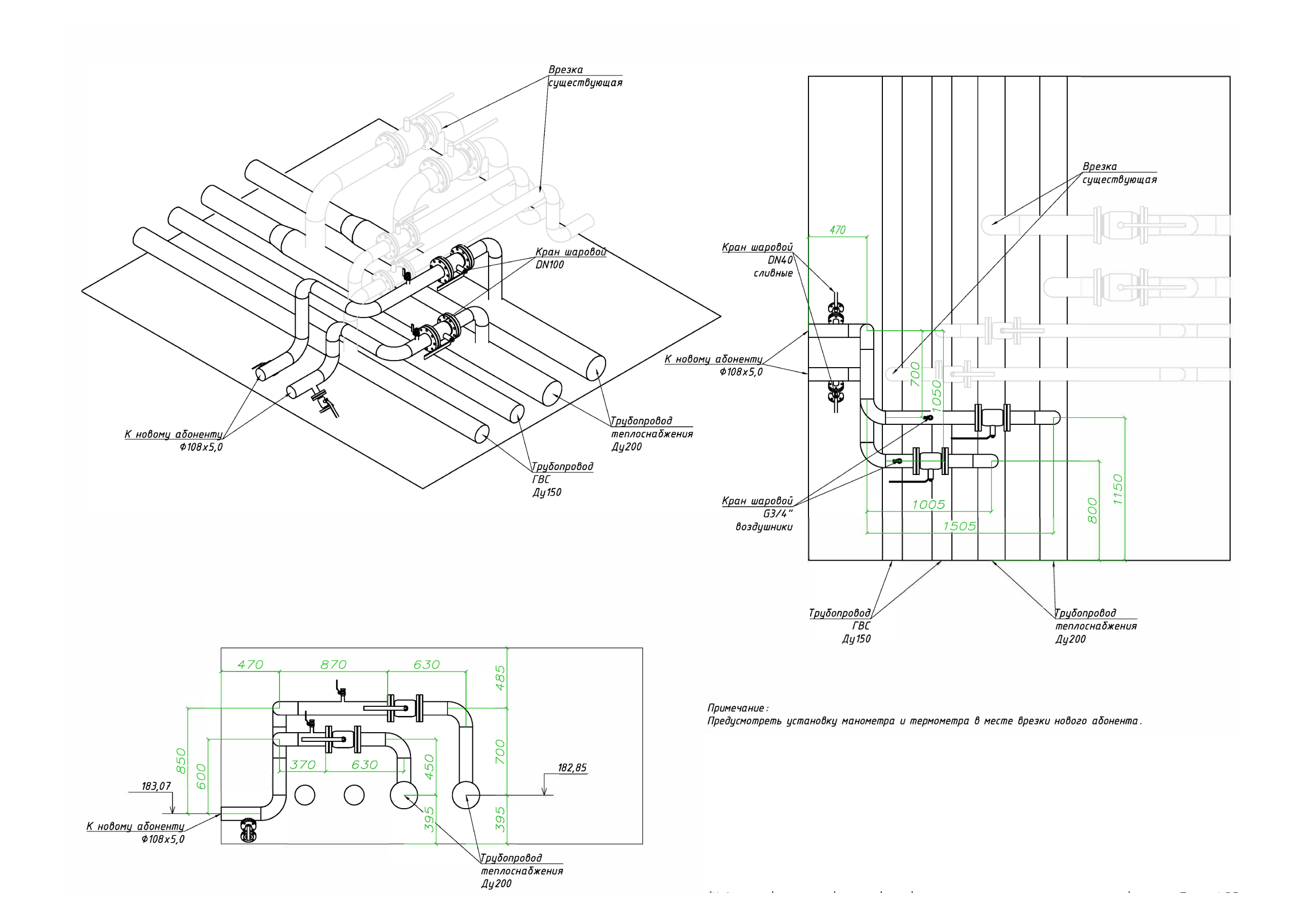
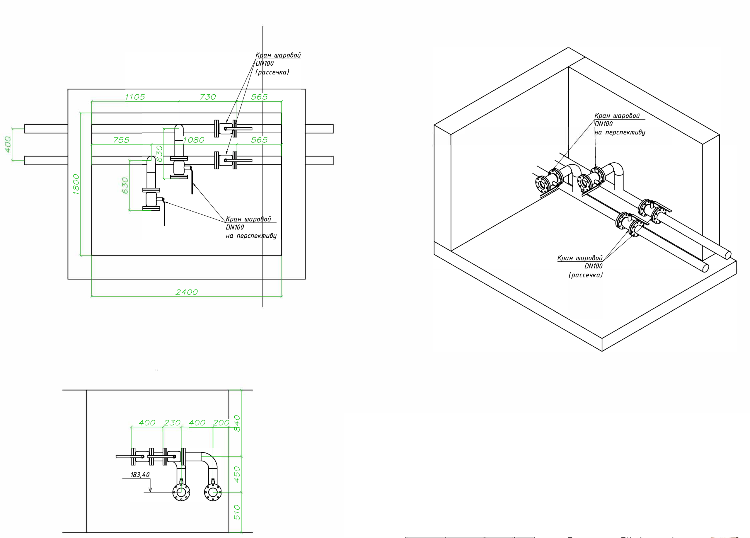
Проектом предусмотрено: разработка тепловой камеры, колодцев, неподвижных опор
Общая протяженность трассы в 2-х трубном исполнении – 602,6 м.
Мощность – 1,396 Гкал/ч
Протяженность трассы, прокладываемая бесканально – 552,9 м.
Протяженность трассы, прокладываемая в канале -49,7 м.

Строительство — 2025 г.

  • Project type

    Линейные объекты,

img
img
img
img
img
img
img
×
Номер телефона

8-925-097-09-09

Email

info@planartpp.ru

Адрес

Московская область, г. Павловский Посад, ул. Павловская, д. 26, 4 этаж, офис 405

    Нажимая кнопку "Отправить" Вы соглашаетесь с Согласием на обработку персональных данных